Otthon / Hírek

Hírek

A levéllánc-gyártók bemutatják a lánc tisztítására vonatkozó óvintézkedéseket

A levéllánc-gyártók bemutatják a lánc tisztítására vonatkozó óvintézkedéseket

A legtöbb lánc a piacon rozsdamentes acélból készül, mivel a rozsdamentes acél alapanyaga viszonylag kemény. Erős teherbírású, de hosszan tartó ...

Az ipari láncok gyártói bemutatják, hogyan lehet megkülönböztetni a lánc típusát

Az ipari láncok gyártói bemutatják, hogyan lehet megkülönböztetni a lánc típusát

A szállítólánc alkalmas festékek sütésére, fémbevonatokra, gyártó összeszerelő sorokra gyárakban, mint például bútorgyárak, festőberendezések gy...

A csendes láncgyártó ésszerű mérési módszereket vezet be a láncokhoz

A csendes láncgyártó ésszerű mérési módszereket vezet be a láncokhoz

Igen Néma lánc A gyártó bemutatja, melyek az ésszerű mérési módszerek a láncokhoz? 1. A lánc teljes holtjátékának eltáv...

A motorkerékpár-lánc gyártója bemutatja a rozsdamentes acél láncok tisztítási módszerét

A motorkerékpár-lánc gyártója bemutatja a rozsdamentes acél láncok tisztítási módszerét

Motorkerékpár lánc A gyártó a rozsdamentes acél láncot univerzális erőátviteli berendezésként vezeti be. A hiperbolikus ívű "lánccsat" ...

A görgős láncok gyártói bemutatják a lánckerék fogprofiljának kialakításának elvét

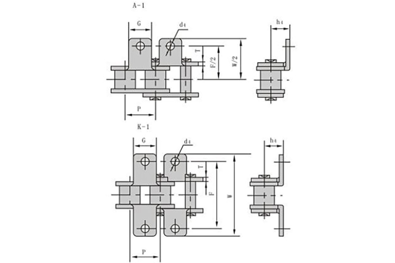
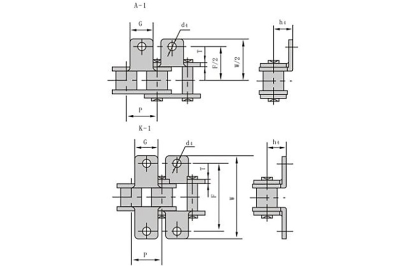
A görgős láncok gyártói bemutatják a lánckerék fogprofiljának kialakításának elvét

Görgős lánc A gyártók bemutatják a lánckerék fogprofil tervezési elveit: 1. A lánckerék fogprofiljának formája: háromíves egy...

A hajtólánc-gyártók bemutatják a lánckerék gyakorlati készségeit

A hajtólánc-gyártók bemutatják a lánckerék gyakorlati készségeit

Hajtáslánc A gyártók bemutatják a lánckerék gyakorlati készségeit: 1. A lánckerék feszességének megfelelőnek kell lennie. A ...

Óvintézkedések a mezőgazdasági lánc használatához

Óvintézkedések a mezőgazdasági lánc használatához

Mezőgazdasági lánc a hibák befolyásolhatják a szerszám mozgásának helyességét, és bizonyos esetekben ez a fő tényező, amely befolyásol...

A sebességváltó lánc megfelelő tisztítása

A sebességváltó lánc megfelelő tisztítása

Használhat forró szappanos vizet vagy kézfertőtlenítőt is, vagy használjon eldobott fogkefét vagy valamivel keményebb kefét. Öblítse le közvetlenül...

A szállítószalag-gyártók bemutatják a lánc megfelelő napi karbantartását

A szállítószalag-gyártók bemutatják a lánc megfelelő napi karbantartását

A rozsdamentes acél emelőlánc beállíthatja a lánc hosszát az emelőtárgy emelési magasságának megfelelően. A daru számára nélkülözhetetlen és fon...

Az ipari lánckerékgyártók bemutatják a láncszénlerakódások kezelési technikáit

Az ipari lánckerékgyártók bemutatják a láncszénlerakódások kezelési technikáit

Ha rozsdamentes acél láncokat használnak a mechanikus berendezésekben, elkerülhetetlenül szennyeződések tapadnak meg, amelyek többsége szénlerak...

A Leaf Chain Manufacturers bemutatja, miért szakad el a lánc

A Leaf Chain Manufacturers bemutatja, miért szakad el a lánc

Levéllánc A gyártók bemutatták azokat az okokat és megoldásokat, amelyek miatt a lánc megszakadt: 1. A használat során a hoss...

Az ipari láncok gyártói bemutatják a kiváló minőségű láncok jellemzőit

Az ipari láncok gyártói bemutatják a kiváló minőségű láncok jellemzőit

Ipari lánc A gyártók bemutatják a kiváló minőségű láncok jellemzőit: 1. Jó megbízhatóság és védelem. A szállítószalagna...