Otthon / Hírek

Hírek

A Silent Chain gyártó bemutatja, hogyan kell kezelni a szállítószalag elhasználódását

A Silent Chain gyártó bemutatja, hogyan kell kezelni a szállítószalag elhasználódását

A szállítószalag láncokat széles körben alkalmazzák az élet minden területén, de sokan nem ismerik őket kellőképpen, ezért nem foglalkoznak kené...

A mezőgazdasági lánc gyártója bemutatja a szállítószalag munkafolyamatát

A mezőgazdasági lánc gyártója bemutatja a szállítószalag munkafolyamatát

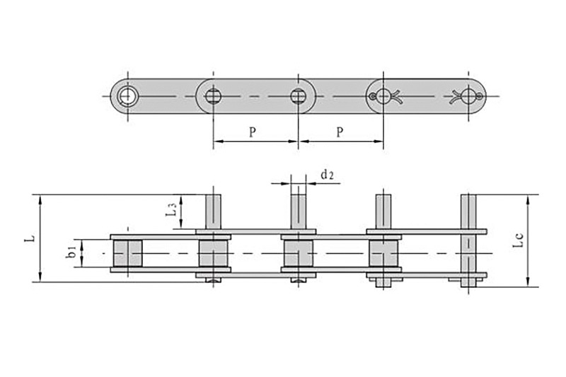
A láncos szállítószalag a teherláncon van, és a láncszemek közé egy magasabb görgős rögzítés van hozzáadva az áru szállításához, míg a szállítól...

Mit mutat be a szállítólánc gyár a lánckerék gyártási szintjéről

Mit mutat be a szállítólánc gyár a lánckerék gyártási szintjéről

A rozsdamentes acél lánc gyakori meghajtó eszköz. A kettős ívű lánc kialakítása csökkenti a súrlódást. Viszonylag nagy energiát használ, és lass...

Az ipari lánckerékgyár bemutatja a lánc sima felületének javítását

Az ipari lánckerékgyár bemutatja a lánc sima felületének javítását

Annak érdekében, hogy megfeleljen a gépek különböző specifikációinak beépítési követelményeinek, a rozsdamentes acél lánc kiválasztási specifiká...

A Leaf Chain Manufacturers bemutatja a lánc helyes használatát

A Leaf Chain Manufacturers bemutatja a lánc helyes használatát

Levéllánc A gyártók bemutatják a lánc helyes használatát: 1. A lánc beszerelése előtt csak a lánc és a lánckerék közötti tárc...

Az ipari láncok gyártói bemutatják a lánc zajának okát

Az ipari láncok gyártói bemutatják a lánc zajának okát

Hosszú távú alkalmazás után számos szállítólánc-gép és berendezés bizonyos mértékű zajt okoz. Amikor a szállítólánc működik, a görgős hajlítólán...

A Silent Chain Manufacturers bemutatja a fogaskerekek szerepét

A Silent Chain Manufacturers bemutatja a fogaskerekek szerepét

Néma lánc A gyártók bemutatják a fogaskerekek szerepét: 1. A Shenyang hajtómű feladata elsősorban az, hogy a két egymástól tá...

A motorkerékpár-láncgyártók bemutatják a fogaskerék-feldolgozás technológiáját

A motorkerékpár-láncgyártók bemutatják a fogaskerék-feldolgozás technológiáját

Motorkerékpár lánc A gyártók bevezetik a fogaskerék-megmunkálás technológiáját. 1. A tuskó öntése: a forró szerszámos kovác...

A Roller Chain Factory bemutatja a lánc alkalmazkodóképességét

A Roller Chain Factory bemutatja a lánc alkalmazkodóképességét

A rozsdamentes acéllemezeket régóta széles körben használják mindennapi életünkben, de sok vásárló felteszi a kérdést, hogy a rozsdamentes acéll...

A Drive Chain Factory bemutatja a lánczaj és -sebesség szabályozási elvét

A Drive Chain Factory bemutatja a lánczaj és -sebesség szabályozási elvét

Hajtáslánc A gyár bevezeti a lánczaj és sebesség szabályozási elvét: 1. A lánchasználat során fellépő túlzott zaj problémáját...

A mezőgazdasági láncok gyártói bemutatják a szállítószalagok használatára vonatkozó óvintézkedéseket

A mezőgazdasági láncok gyártói bemutatják a szállítószalagok használatára vonatkozó óvintézkedéseket

Az ipari termelés különféle típusú átviteli láncai között a szállítólánc viszonylag gyakori, mert alkalmazása gyakran a szállítólánc gyakori kár...

A sebességváltó láncok gyártói bemutatják a lánc felületének javítására vonatkozó óvintézkedéseket

A sebességváltó láncok gyártói bemutatják a lánc felületének javítására vonatkozó óvintézkedéseket

Annak érdekében, hogy megfeleljen a gépek különböző specifikációinak beépítési követelményeinek, a rozsdamentes acél lánc kiválasztási specifiká...