Otthon / Hírek

Hírek

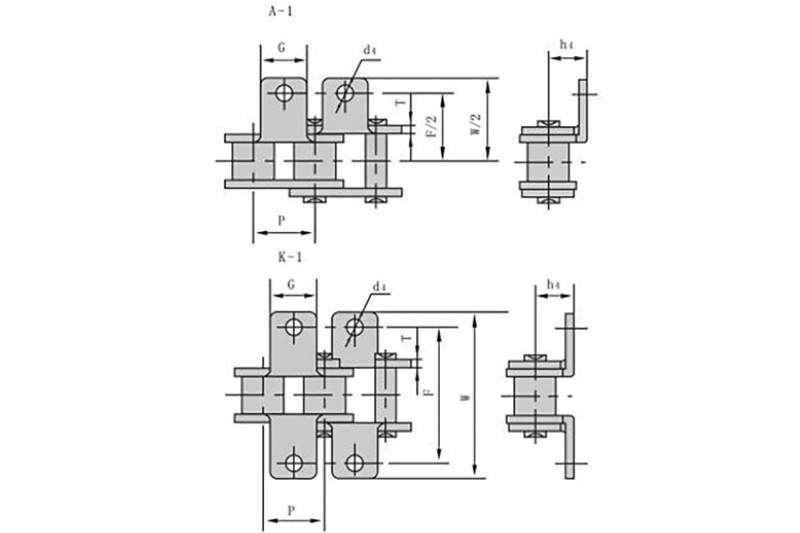
A szállítószalag gyártója bemutatja a mechanikus lánc szerkezetét

A szállítószalag gyártója bemutatja a mechanikus lánc szerkezetét

Szállítószalag A gyártó bemutatta, hogy a mechanikus lánc szerkezete fogaskerekek, foghornyok, véglapok, normál lapok, toldalék körök, ...

Melyek az ipari lánckerék kopási módjai

Melyek az ipari lánckerék kopási módjai

Mik a viselési módok Ipari lánckerék ? 1. Csiszoló kopás: Ez a fogfelület csiszolója, amelyet a fogaskerék zárási folyamata...

A levéllánc 4 általános kenési módja

A levéllánc 4 általános kenési módja

Nem számít, mennyi ideig használják a láncot, rendszeres karbantartást igényel. Például a tisztítás és a kenés a lánc élettartamának meghosszabb...

Az ipari lánc ésszerű és helyes használata

Az ipari lánc ésszerű és helyes használata

Ipari lánc nagyon elterjedt lánc, főként ipari környezetben használják, így mire kell figyelni ilyen lánc használatakor. Nézzük meg együtt...

A csendes lánc helyes tisztítása és javítása

A csendes lánc helyes tisztítása és javítása

A normál működése Néma lánc a lánc szokásos karbantartására és védelmére támaszkodik. A tisztítandó lánchoz ajánlatos fémport használ...

A motorkerékpár-lánc beszerelésével kapcsolatos óvintézkedések

A motorkerékpár-lánc beszerelésével kapcsolatos óvintézkedések

Motorkerékpár lánc a motorkerékpárok fontos része. Feladata, hogy a motorkerékpárokat hajtsa és vezesse. Ezután nézzük meg, hogyan kell...

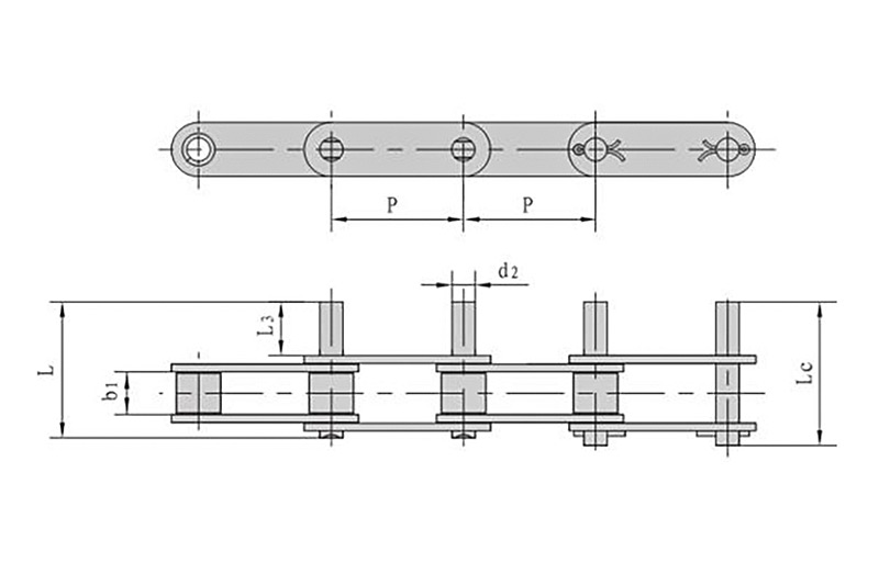
Melyek a görgős lánc alkalmazási területei

Melyek a görgős lánc alkalmazási területei

Sajátos funkciói miatt a Görgős lánc a többi lánctól eltérő összeszerelési módszerrel rendelkezik, megteremtve a görgős lánc egyedülá...

Mi a hajtáslánc szerepe

Mi a hajtáslánc szerepe

A mindennapi életben gyakran találkozhatunk mindenfélével Hajtáslánc . Egyszerűen fogalmazva, a lánc egy fémből készült gyűrű, majd e...

3 módszer a görgős lánc minőségének megítélésére

3 módszer a görgős lánc minőségének megítélésére

3 módszer a minőség megítélésére Görgős lánc : 1. A lánc minősége megkülönböztethető a megjelenésből Ez elsősorban a lán...

Hajtáslánc tisztítási stratégia

Hajtáslánc tisztítási stratégia

Hajtáslánc tisztítási stratégia: 1. Forró szappanos víz, kézfertőtlenítő, használj eldobott fogkefét, vagy valamivel keményebb ...

Óvintézkedések a mezőgazdasági lánc használatához

Óvintézkedések a mezőgazdasági lánc használatához

Használatával kapcsolatos óvintézkedések Agricultural Chain : 1. Jó megbízhatóság és karbantarthatóság. A láncnak ellenállóna...

Az átviteli lánc karbantartási ismerete

Az átviteli lánc karbantartási ismerete

A Erőátviteli lánc egy nagyon kritikus erőátviteli szerkezet a mechanikus berendezésekben, ami befolyásolja a berendezés működési tel...