Otthon / Hírek

Hírek

A sebességváltó lánc tervezési filozófiája és munkafolyamata

A sebességváltó lánc tervezési filozófiája és munkafolyamata

Erőátviteli lánc , mint általános átviteli erő eszköz, csökkenti a súrlódási erőt a hiperbolikus ív "lánc" kialakítása révén. Olyan hel...

Hogyan csökkenti a görgős lánc a statikus elektromosság keletkezését?

Hogyan csökkenti a görgős lánc a statikus elektromosság keletkezését?

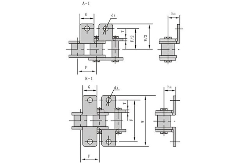
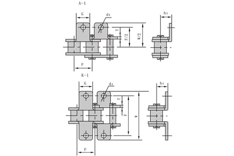
Görgős lánc úgy néz ki, mint egy harckocsilánc, és sok egységláncból áll. A linkek szabadon foroghatnak. Az azonos sorozatú lemezláncok...

Röviden magyarázza el, miért korrodálódik a görgős lánc

Röviden magyarázza el, miért korrodálódik a görgős lánc

A munkakörnyezet miatt a Görgős lánc , természetesen lesz némi korrózió, tehát mi a fő oka a görgős lánc korrodálódásának, elsősorban...

A hajtólánc gyártója bemutatja, miért lesz elfogult a lánc szállítási ideje

A hajtólánc gyártója bemutatja, miért lesz elfogult a lánc szállítási ideje

A láncátvitelben és a szállításban lassan előfordulhatnak hibák. Bár nem túl nagy, de az idő felhalmozódása, lesz néhány hiba az átvitelben. Hogyan...

Hogyan előzhetjük meg hatékonyan a sebességváltó lánc meghibásodását

Hogyan előzhetjük meg hatékonyan a sebességváltó lánc meghibásodását

A gyártási folyamatban a Erőátviteli lánc , ha a lánc meghibásodik, a gyártónak meg kell találnia a legmegfelelőbb megoldást az adott...

Melyek a szállítószalag gyakori hibái

Melyek a szállítószalag gyakori hibái

Szállítószalag széles körben használják ipari láncokban, például élelmiszer-szállító gépekben, műtrágya-szállító berendezésekben, bány...

Óvintézkedések a levélláncok karbantartásához

Óvintézkedések a levélláncok karbantartásához

Mikor Levéllánc ha a lánc aktiválva van felszerelve, ellenőrizni kell, hogy a lánc megfelelően működik-e, és a fűrészlánc feszessége ...

Az ipari lánckerék karbantartása

Az ipari lánckerék karbantartása

A karbantartásban Ipari lánckerék , ügyeljen a lánckerék fogformájára. A lánckerék fogazatának biztosítania kell, hogy a lánc zökken...

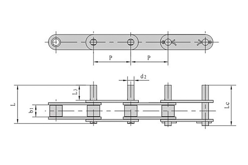
A görgős láncszemek számának egyenletesnek kell lennie

A görgős láncszemek számának egyenletesnek kell lennie

Görgős lánc A lánc hosszát a láncszemek száma fejezi ki. A láncszemek száma előnyösen páros szám, így amikor a láncok gyűrűt alkotnak,...

Az ipari lánckerék tömör vagy küllős fogaskerék

Az ipari lánckerék tömör vagy küllős fogaskerék

Ipari lánckerék fogaskerekű csatfogakkal rendelkező kerékre vonatkozik, amelyet egy láncszemen vagy kábelen lévő pontos osztású tömbhö...

Az ipari lánc karbantartása az élettartam meghosszabbítása érdekében

Az ipari lánc karbantartása az élettartam meghosszabbítása érdekében

Ipari lánc hosszú távú használat után laza lesz, vagy akár megszakad, és hogyan lehet megelőzni az ilyen problémákat? Először a l...

A motorkerékpár láncának cseréjének lépései

A motorkerékpár láncának cseréjének lépései

Amikor a Motorkerékpár lánc cserélni kell, figyelembe kell venni, hogy a láncot és a lánckereket együtt kell cserélni. Az új lánc fel...